Categorías: Artículos destacados » Electricistas novatos
Cantidad de vistas: 44529
Comentarios sobre el artículo: 7
Cómo se transmite la electricidad de las centrales eléctricas a los consumidores
Los grupos electrógenos convierten la energía de los ríos, el viento, la combustión de combustible e incluso los enlaces atómicos en electricidad. Se distribuyen en todo el país, combinados en un solo sistema por subestaciones transformadoras. La electricidad se transfiere a la distancia entre ellos mediante líneas eléctricas. Su longitud puede ser de dos a tres a cientos de kilómetros.
Líneas de transporte de electricidad.
La electricidad de alta potencia se puede transmitir a través de cables de alimentación enterrados en el suelo o enterrados en cuerpos de agua. Pero el método más común de transporte es a través de líneas aéreas fijadas a estructuras de ingeniería especiales: soportes.
Entonces buscan un VL-330 kV (haga clic en la foto para ampliarla):
Y aquí hay una fotografía de una línea separada de 110 kV.
Subestaciones eléctricas
Las líneas eléctricas de aire y cable conectan las subestaciones de transformación con los mismos dispositivos de distribución de voltaje para transferir energía de un transformador de potencia a otro.
Por ejemplo, un autotransformador de 330/110/10 kV recibe en el lado de alta potencia 330 de varias líneas. La transmisión de electricidad a los consumidores ocurre en un promedio de 110 y una parte baja de 10 kV.
Sin embargo, el autotransformador puede ser alimentado por medio o bajo voltaje. Depende del estado del circuito y la dinámica de los procesos que ocurren en él.
Fragmento Autotransformador-330kV.
Vista de un transformador 110/10 de una subestación remota que recibe electricidad en el lado 110, distribuyéndola a lo largo de líneas de 10 kV.
Él es, pero desde el lado opuesto.
Para conectar las líneas a los transformadores, se utilizan áreas cercadas en las que se montan los elementos de potencia del circuito.
Vista de un pequeño fragmento de una subestación de celdas abiertas de 330 kV.
Parte del territorio de aparamenta al aire libre-110kV.
Variante de transmisión de energía eléctrica desde la entrada 110 АТ-330 hasta el transformador 110/10 kV
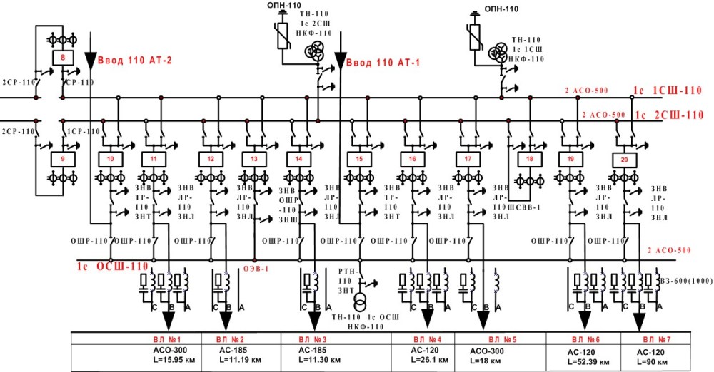
Un ejemplo de un fragmento de un circuito de energía primaria (una sección) de distribución de energía eléctrica en un área abierta para 7 líneas eléctricas aéreas (haga clic en la imagen para ampliarla):
Aquí, es posible transferir energía desde las entradas de 110 AT No. 1 o AT No. 2. En el circuito, cada entrada AT se conectaba a su sistema de bus con los interruptores No. 10 y No. 15, con los neumáticos divididos en secciones a través de los interruptores No. 8 y No. 9 cuando se usa un sistema de bus de derivación conmutado por el interruptor No. 13. Los neumáticos 1SSh y 2Sh se pueden combinar con el interruptor No. 18.
Las líneas eléctricas aéreas se alimentan con los interruptores No. 11, 12, 14, 16, 17, 19, 20. El circuito proporciona el desmantelamiento de cada una de ellas para alimentar la línea aérea a través del sistema de bus de derivación.
El interruptor automático de 110 kV SF6 en este circuito se muestra en la foto.
Desde allí, la energía se transfiere a una línea eléctrica aérea a una subestación remota 110/10. La foto a continuación muestra sus principales elementos de potencia a partir del soporte de entrada final de la línea de transmisión de potencia (haga clic en la imagen para ampliarla):
La electricidad se suministra al transformador de potencia a través de un seccionador, un separador, transformadores de medición de corriente y voltaje.
Cada uno de ellos realiza ciertas tareas:
-
Los transformadores de medición y los transformadores de corriente evalúan los vectores de corriente y voltaje en las fases del circuito primario con ciertos errores metrológicos, los transfieren a los dispositivos de protección, automatización y medición secundarios para su posterior procesamiento;
-
El seccionador se usa para abrir / encender manualmente el circuito de alimentación cuando no hay carga en los cables de alimentación del circuito;
-
El separador desconecta automáticamente el transformador de potencia de la subestación de la línea a un tiempo muerto, que se crea durante condiciones de emergencia en el transformador.
Para comparar la imagen de la potencia transmitida y la complejidad de las estructuras, observe el tipo de seccionador en la celda exterior de 330 kV.Está impulsado por potentes motores eléctricos trifásicos, controlados por automatización con circuitos de alarma.
En una red de 380/220 voltios, dicho dispositivo es un conmutador ordinario. Pero volvamos al esquema de subestación de 110/10 kV.
¡Presta atención! No hay un interruptor de alto voltaje para eliminar accidentes en él.
Sin embargo, esto no significa que se hayan descuidado los problemas de operación segura. Las transformaciones electromagnéticas complicadas ocurren constantemente en el transformador de potencia con la liberación de energía térmica y la transferencia de grandes capacidades eléctricas. Todo esto se controla midiendo los cuerpos de protección.
Están ubicados en paneles separados.
En caso de situaciones críticas, la electricidad se elimina del equipo por todos los lados: 110 y 10 kV. La tensión de alimentación se desconecta en este circuito mediante un interruptor aislado con gas ubicado en la subestación 330/110 kV.
Para que funcione, utilice el cortocircuito (haga clic en la foto para ampliarla):
Este es un dispositivo especial que sirve como elemento ejecutivo de la protección de un transformador de potencia. Tiene una cuchilla móvil con conexión a tierra con accionamiento electromecánico.
En un modo operativo crítico, las protecciones que monitorean el estado de los procesos dentro del transformador dan un poderoso impulso al electroimán de la bobina de cortocircuito. A partir de él, se activa el pestillo del mecanismo de resorte, que se activa e impone un cuchillo de cortocircuito en los neumáticos de alto voltaje (el principio de la trampa para ratones).
Se produce una falla a tierra en el circuito. La corriente de ella se siente por la protección del interruptor automático SF6 en la subestación de energía remota. Su automatización abre el interruptor automático por un cierto intervalo de tiempo de varios segundos.
Durante este tiempo, en todas las subestaciones conectadas a esta línea de alimentación, se crea una pausa de tiempo muerto. Durante su protección, la automatización del transformador en cuestión emite un comando al accionamiento del separador, que extiende automáticamente sus cuchillas, rompiendo el circuito de suministro de voltaje al transformador de potencia, que finalmente "amortigua la subestación".
Todas estas operaciones tardan unos 4 segundos. Una vez que caducan, la automatización del interruptor remoto hace que se encienda con el voltaje aplicado a la línea. Pero no alcanzará el transformador de potencia dañado debido al espacio creado por el separador. Y todos los demás consumidores continuarán recibiendo electricidad.
La conmutación inversa con un cortocircuito y un separador se realiza manualmente por el personal operativo después de analizar el funcionamiento de la automatización de acuerdo con los resultados de las acciones de los circuitos de alarma.
De esta forma, aumenta la fiabilidad del equipo, se reducen las pérdidas durante la transmisión de electricidad en las redes eléctricas.
Circuito de 10 kV
Desde el transformador de potencia, la energía convertida de 10 kV se suministra a la entrada del KRUN - aparamenta completa exterior y se distribuye a través de un sistema de bus y disyuntores con protecciones y automatización a lo largo de las líneas de aire o cable.
Las líneas eléctricas aéreas de 10 kV que salen de KRUN son visibles en la foto.
Una línea eléctrica aérea de 10 kV en el área a lo largo de la carretera.
Las subestaciones de 10 / 0.4 kV están conectadas a tales líneas.
Transformador 10 / 0.4 kV
El diseño y las dimensiones de los transformadores de potencia que convierten la electricidad con un voltaje de 10 kV a 380 voltios dependen de las tareas que realizan y las capacidades transmitidas. Sus dimensiones externas se pueden estimar mediante varias fotos.
Construcción en un edificio cerrado separado para edificios de varios pisos en el pueblo.
Armarios metálicos cerrados de 10 / 0.4 kV en el campo.
Transformador de 10 / 0.4 kV en una cooperativa de garaje (haga clic en la foto para ampliarla):
En el próximo artículo se describirá cómo funcionan estos transformadores, cómo se transfiere la energía a los consumidores, se producen pérdidas durante la transmisión de electricidad en las redes eléctricas y se realiza una compensación.
Continuación del artículo:Cómo se transmite la electricidad a los consumidores a través de una red de 0.4 kV
Ver también en electro-es.tomathouse.com
:



















